Каталог продукции
-
Гэллакс инструмент
- Выпрессовщики, съемники гидравлические
- Насосы и насосные станции гидравлические, 70МПа
- Тележки для снятия КПП и агрегатов
- Цилиндры гидравлические 70 МПа
- Тянущие винты (Шпильки)
- Шланги гидравлические, 70МПа
- Стенды Сход-развал, Обмер рам грузовиков
- Оборудование для правки рам грузовых автомобилей
- Оборудование для правки кабин грузовых автомобилей
- Расходники для стендов Hunger
- Пуансоны для клёпальных станков Beral
- Пуансоны для клёпальных станков Comec
- Оборудование для маслораздачи
- Оборудование для раздачи смазки
- Оборудование для сжатого воздуха
- Установки индукционного нагрева. Индукторы
- Аксессуары для Сход развал, Шайбы регулировочные
- БРС, Быстро разъемное соединение гидравлическое, 70 МПа, 100 МПа, 150 МПа, 250 МПа
- Домкраты
- Оборудование для сервисной канавы
- Выпрессовщик шкворней
- Оборудование Б/У
- Готовые решения
-
Вид оборудования
- Стенды сход-развал для грузовых автомобилей, автобусов и прицепов
- Кузовной ремонт, стапель для правки рам, стенд для правки кабин
- Гидравлическое оборудование и инструмент для сервиса и СТО
- Домкраты для автосервиса, строительства и карьерной техники
- Гидравлические насосы, насосные станции, НРГ
- Ремонт тормозных систем, клепка накладок, проточка тормозных дисков и барабанов
-
Гидравлические цилиндры
- Гидравлические цилиндры, толкающие 5, 10, 20, 45 тонн CF/CFU
- Гидравлические цилиндры с ударным штоком 18-45 тонн
- Гидравлические цилиндры, одностороннего действия, толкающий, с пружинным возвратным механизмом 5-95 тонн серия - CFC
- Гидравлические цилиндры толкающего,одностороннего действия из нержавеющей стали с возвратной пружиной 11-100 тонн серия - CSF
- Гидравлические цилиндры, одностороннего действия с полым штоком. Мощность:13-103 тонн, серия - CHFA
- Гидравлические цилиндры стальные одностороннего действия с полым штоком на 6 -103 тонн, серия - CH/CHF
- Гидравлические цилиндры, тянущие, 5-11 тонн, серия - CPF
- Установки индукционного нагрева
-
Раздача масла, насосы для перекачки масла, ручные насосы для масла, катушки, пистолеты, расходомеры
- Насосы пневматические для раздачи и перекачки масла
- Насосы электрические для раздачи и перекачки масел
- Насосы диафрагменные для масла и тех. жидкостей
- Комплекты для монтажа насосов для масла
- Насосы ручные для перекачки, раздачи масла
- Катушки для раздачи масла
- Пистолеты, расходомеры для раздачи масла
- Комплекты для раздачи масла
- Раздача смазки, насосы для раздачи смазки, ручные насосы для смазки, катушки, пистолеты, расходомеры
- Раздача воды и антифриза, насосы для перекачки антифриза, ручные насосы, катушки, пистолеты, расходомеры
- Сбор отработанного масла, поддоны для масла, насос для отработанного масла
- Сорбенты, впитывающие ковры для масла
- Работа с бочками, тележки, поддоны для хранения бочек
- Раздача воздуха, блоки подготовки воздуха, катушки для воздуха, фильтры регуляторы давления воздуха
- Стенды для настройки радара ACC и курсовой устойчивости
- Удаление выхлопных и сварочных газов
- Демонтаж, работа с колесами, электрогайковерт, тележки для колес
- Аварийно спасательное оборудование
- Ручной инструмент
- Новинки
-
По брендам
-
ГЭЛЛАКС инструмент
- Выпрессовщики, съемники гидравлические
- Насосы и насосные станции гидравлические, 70МПа
- Тележки для снятия КПП и агрегатов
- Цилиндры гидравлические 70 МПа
- Тянущие винты (Шпильки)
- Шланги гидравлические, 70МПа
- Стенды Сход-развал, Обмер рам грузовиков
- Оборудование для правки рам грузовых автомобилей
- Оборудование для правки кабин грузовых автомобилей
- Расходники для стендов Hunger
- Пуансоны для клёпальных станков Beral
- Пуансоны для клёпальных станков Comec
- Оборудование для маслораздачи
- Оборудование для раздачи смазки
- Оборудование для сжатого воздуха
- Установки индукционного нагрева. Индукторы
- Аксессуары для Сход развал, Шайбы регулировочные
- БРС, Быстро разъемное соединение гидравлическое, 70 МПа, 100 МПа, 150 МПа, 250 МПа
- Домкраты
- Выпрессовщик шкворней
- Оборудование для сервисной канавы
- Оборудование Б/У
- Готовые решения
-
JOSAM: правка рам, кабин; сход развал для грузовых автомобилей
- 01. Стапель (пресс 20 т) для правки рам грузовых автомобилей
- 02. Правка рам на анкерных креплениях 10 тонн
- 03. Силовые башни для правки кабин и автобусов
- 04. Доп. оборудование для правки рам, домкраты, цепи, захваты
- 05. Струбцины гидравлические для клепки и правки рам, 10т, 20 т., 40 тонн.
- 09. Стапель для правки кабин
- 08. Опции для стендов сход-развал
- 10. Детектор люфтов 10 тонн для контроля подвески грузовых автомобилей, автобусов
- 11. Комплекты диагностики, стенды сход-развал для грузовых автомобилей, автобусов, прицепов
- 13. Установки индукционного нагрева для СТО
- 14. Прочий инструмент, регулировочные шайбы и клинья
- 15. Системы хранения JOSAM
- 12. Комплекты для правки рам и кабин грузовых автомобилей
- 23. Mercedes: Стенд сход-развал
-
EUROLUBE: насосы (ручные, пневматические), катушки для масла, смазки и отработки
- Система контроля за раздачей масла LUBE-Master
- Насосы, катушки, пистолеты, расходомеры, РВД для раздачи масла
- Насосы, катушки, пистолеты, расходомеры, РВД, нагнетатели для смазки
- Диафрагменные насосы для масла и тех.жидкостей
- Сбор отработанного масла: насосы, воронки, поддоны, емкости
- Раздача тех. жидкостей: насосы, катушки, пистолеты
- Насосы, пистолеты, расходомеры, катушки, емкости для AdBlue
- Насосы, мобильные комплекты, пистолеты, расходомеры для дизельного топлива
- Аксессуары для подключения воздуха, регулятор давления, фильтр регулятор, БРС
- Катушки для воздуха, воды и жидкостей
- Тележки, поддоны, аксессуары для бочек
- Мобильные сервисные комплекты
- Готовые решения: комплекты LUBE-Master
-
REHOBOT: гидравлическое оборудование и инструмент, насосные станции, гидроцилиндры, ручные насосы
-
Цилиндры гидравлические
- CF/CFU серия- гидроцилиндры толкающие, одностороннего действия
- CFА серия- гидроцилиндры толкающие аллюминевые, одностороннего действия, 25-100 тонн
- CSF серия - гидроцилиндры толкающие, одностороннего действия, нержавеющая сталь
- CFС серия- гидроцилиндры толкающие, одностороннего действия
- CL/CLF серия- гидроцилиндры толкающие, одностороннего действия
- CHF серия - гидроцилиндры полые, одностороннего действия
- CPF серия - гидроцилиндры тянущие 5 - 10 тонн
- Оснастка, опоры, цепи, струбцины для гидравлических цилиндров CF, CFC, CPF
- Пресс головки для гидравлических цилиндров
-
Насосы гидравлические, ручным, электро-, пневмо-, бензо- приводом на 70, 80, 150, 227 МПа
- Насосы гидравлические, ручной привод, одноступенчатые 70, 80 МПа. с объемом на 0,6-1 литр
- Насосы гидравлические, ручной привод, двухступенчатые на 70МПа, 80,100, 150, 200, 240, 300 МПа
- Насосы гидравлические, пневматический привод PPxx-1000 (70, 80, 150, 227 МПа, объем 1л.)
- Насосы гидравлические, пневматический привод РРхх-2500 (объем 2,5 л. на 70, 80, 100 МПа)
- Насосы гидравлические, пневматический привод РРхх-9200 (объем 9,2 литра на 70, 80 МПа)
- Насосы гидравлические, электрический привод РМЕ на 70 МПа, с объемом на 3л, 10 л., 20 литров
- Насосы гидравлические, бензиновый привод
- Выпрессовщики втулок, стаканов, сайлентблоков
- Выпрессовщик пальцев рулевых тяг
- Аварийно-спасательное оборудование
- Шланги гидравлические РВД 70, 150, 240, 300 МПа
- Тележка гидравлическая, для снятия КПП
- Гидравлическая стойка для агрегатов трансмиссии
- Универсальный ножничный домкрат
- Инструмент для сжимания пружин
- Пресс настольный
- Колпачки защитные
- Расширители гидравлические
- Клапаны гидравлические, отсечные, направляющие
- Защитные опоры и пресс-головки для полых гидравлических цилиндров CHFA
- Коллекторы распределительные
- Соединительные фиттинги
- Адаптеры для манометров
- Манометры
- Домкраты бутылочные
- Домкраты для подъема объектов
- Инструмент гидравлический, комплекты цилиндров для правки, сервиса, ЖКХ
- Кусачки гидравлические, торцевые и боковые
- БРС, Быстро разъемное соединение гидравлическое, 70 МПа, 100 МПа, 150 МПа, 250 МПа / Оригинал
- Страхующие стойки, механические
- Съемники гидравлические
-
Цилиндры гидравлические
- NENAB: домкраты канавные (наямные), подкатные (напольные)
- CATTINI: домкраты подкатные (напольные), домкраты грузовые для карьерной техники
- WALLMEK: гидравлический спец.инструмент, выпрессовщики ударного действия для сервиса транспорта
- COLUMBUS: электрогайковерт, вращатель колес
-
Orion: насосы (ручные, пневматические), катушки для масла, смазки и отработки
- 1. Оборудование для масла
- 2. Оборудование для смазки
- 3. Отработанное масло
- 4. Воздух
- 5. Жидкости прочие
- 6. Оборудование для раздачи диз. топлива
- 7. AdBlue
- 8. Раздаточные катушки
- 9. Устройства раздачи и контроля
- 10. ЦСРМ
- 11. Работа с бочками
- 12. Оборудование для удаления выхлопных газов
- 13. Монтажные компоненты
- 14. Сорбенты
- INCOIL: промышленные установки индукционного нагрева
-
HUNGER: обслуживание тормозных систем, клепка накладок, проточка тормозных дисков и барабанов
- N332 Пневмогидравлический стенд клепки расклепки тормозных накладок
- N333 Пневматический стенд клепки расклепки тормозных накладок
- S331 Стенд для очистки тормозных колодок
- S330 Стенд для обточки тормозных колодок
- B355 Стенды для расточки тормозных барабанов
- B325 Стенды для расточки тормозных барабанов
- U305 Стенды для расточки тормозных барабанов
- E328 Стенды для расточки тормозных дисков без снятия с оси
- F308 Стенды для обточки тормозных накладок без снятия с оси
- BL2 Кран для снятия элементов тормозных систем
- TruckCam: сход-развал для производителей автомобилей
-
ГЭЛЛАКС инструмент
-
По отрасли
-
Оборудование для грузового сервиса
- Стенды сход-развал
- Кузовной ремонт грузовых автомобилей и автобусов
- Гидравлическое оборудование и инструмент
- Установки индукционного нагрева
- Домкраты подкатные и для ям для грузового СТО
- Раздача масла для грузового сервиса
- Раздача смазки
- Раздача воздуха на грузовых СТО
- Раздача воды и антифриза
- Работа с бочками
- Демонтаж, работа с грузовыми колесами
- Ремонт тормозных систем
- Инструмент ручной
- Стенды для настройки радара ACC
- Централизованная раздача масла
- Раздача дизтоплива, насосы 220 в. 24в. 12 в. расходомеры для дизельного топлива
- Раздача AdBlue
- Управление и мониторинг раздачи тех. жидкостей
- Сбор отработанного масла
- Сорбенты
- Оброрудование для удаления выхлопных газов
- Аварийно спасательное оборудование
-
Оборудование для легкового сервиса
- Домкраты для легковых и коммерческих автомобилей
- Гидравлическое оборудование и инструмент
- Установки индукционного нагрева для легкового автосервиса
- Раздача масла для легкового СТО
- Раздача смазки для легкового СТО
- Раздача воды и антифриза для легкового автосервиса
- Сбор отработанного масла
- Сорбенты
- Раздача воздуха для легкового автосервиса
- Оборудование для удаления выхлопных газов
- Аварийно спасательное оборудование
- Ручной инструмент
- Оборудование для сельского хозяйства
-
Оборудование для горнодобывающей промышленности
- Домкраты для Гок
- Раздача масла для ГОК, рудников, шахт, разрезов
- Гидравлическое оборудование и инструмент для Гоков
- Установки индукционного нагрева
- Централизованная раздача масла
- Раздача смазки
- Централизованная система смазки
- Раздача воды и антифриза
- Раздача дизтоплива для Гок
- Управление и мониторинг раздачи тех. жидкостей
- Сбор отработанного масла
- Сорбенты
- Работа с бочками
- Раздача воздуха для Гок
- Оброрудование для удаления выхлопных газов
- Демонтаж, работа с колесами
- Оборудование для автомобилестроения
-
Обрудование для лесной и деревообрабатывающей промышленности
- Ремонт тормозных систем
- Гидравлическое оборудование и инструмент
- Установки индукционного нагрева
- Раздача масла
- Централизованная раздача масла
- Раздача смазки
- Централизованная система смазки
- Раздача воды и антифриза
- Раздача дизтоплива
- Управление и мониторинг раздачи тех. жидкостей
- Сбор отработанного масла
- Сорбенты
- Работа с бочками
- Раздача воздуха
- Удаление выхлопных и сварочных газов
- Оборудование для МЧС
- Оборудование для морских портов
- Оборудование для ж/д транспорта
- Оборудование для электроэнергетики
-
Оборудование для грузового сервиса
- Готовые решения
- Распродажа
- Б/У оборудование
- Сделано в России
Бренды
-
ГЭЛЛАКС инструмент
- Выпрессовщики, съемники гидравлические
- Насосы и насосные станции гидравлические, 70МПа
- Тележки для снятия КПП и агрегатов
- Цилиндры гидравлические 70 МПа
- Тянущие винты (Шпильки)
- Шланги гидравлические, 70МПа
- Стенды Сход-развал, Обмер рам грузовиков
- Оборудование для правки рам грузовых автомобилей
- Оборудование для правки кабин грузовых автомобилей
- Расходники для стендов Hunger
- Пуансоны для клёпальных станков Beral
- Пуансоны для клёпальных станков Comec
- Оборудование для маслораздачи
- Оборудование для раздачи смазки
- Оборудование для сжатого воздуха
- Установки индукционного нагрева. Индукторы
- Аксессуары для Сход развал, Шайбы регулировочные
- БРС, Быстро разъемное соединение гидравлическое, 70 МПа, 100 МПа, 150 МПа, 250 МПа
- Домкраты
- Выпрессовщик шкворней
- Оборудование для сервисной канавы
- Оборудование Б/У
- Готовые решения
-
JOSAM: правка рам, кабин; сход развал для грузовых автомобилей
- 01. Стапель (пресс 20 т) для правки рам грузовых автомобилей
- 02. Правка рам на анкерных креплениях 10 тонн
- 03. Силовые башни для правки кабин и автобусов
- 04. Доп. оборудование для правки рам, домкраты, цепи, захваты
- 05. Струбцины гидравлические для клепки и правки рам, 10т, 20 т., 40 тонн.
- 09. Стапель для правки кабин
- 08. Опции для стендов сход-развал
- 10. Детектор люфтов 10 тонн для контроля подвески грузовых автомобилей, автобусов
- 11. Комплекты диагностики, стенды сход-развал для грузовых автомобилей, автобусов, прицепов
- 13. Установки индукционного нагрева для СТО
- 14. Прочий инструмент, регулировочные шайбы и клинья
- 15. Системы хранения JOSAM
- 12. Комплекты для правки рам и кабин грузовых автомобилей
- 23. Mercedes: Стенд сход-развал
-
EUROLUBE: насосы (ручные, пневматические), катушки для масла, смазки и отработки
- Система контроля за раздачей масла LUBE-Master
- Насосы, катушки, пистолеты, расходомеры, РВД для раздачи масла
- Насосы, катушки, пистолеты, расходомеры, РВД, нагнетатели для смазки
- Диафрагменные насосы для масла и тех.жидкостей
- Сбор отработанного масла: насосы, воронки, поддоны, емкости
- Раздача тех. жидкостей: насосы, катушки, пистолеты
- Насосы, пистолеты, расходомеры, катушки, емкости для AdBlue
- Насосы, мобильные комплекты, пистолеты, расходомеры для дизельного топлива
- Аксессуары для подключения воздуха, регулятор давления, фильтр регулятор, БРС
- Катушки для воздуха, воды и жидкостей
- Тележки, поддоны, аксессуары для бочек
- Мобильные сервисные комплекты
- Готовые решения: комплекты LUBE-Master
-
REHOBOT: гидравлическое оборудование и инструмент, насосные станции, гидроцилиндры, ручные насосы
-
Цилиндры гидравлические
- CF/CFU серия- гидроцилиндры толкающие, одностороннего действия
- CFА серия- гидроцилиндры толкающие аллюминевые, одностороннего действия, 25-100 тонн
- CSF серия - гидроцилиндры толкающие, одностороннего действия, нержавеющая сталь
- CFС серия- гидроцилиндры толкающие, одностороннего действия
- CL/CLF серия- гидроцилиндры толкающие, одностороннего действия
- CHF серия - гидроцилиндры полые, одностороннего действия
- CPF серия - гидроцилиндры тянущие 5 - 10 тонн
- Оснастка, опоры, цепи, струбцины для гидравлических цилиндров CF, CFC, CPF
- Пресс головки для гидравлических цилиндров
-
Насосы гидравлические, ручным, электро-, пневмо-, бензо- приводом на 70, 80, 150, 227 МПа
- Насосы гидравлические, ручной привод, одноступенчатые 70, 80 МПа. с объемом на 0,6-1 литр
- Насосы гидравлические, ручной привод, двухступенчатые на 70МПа, 80,100, 150, 200, 240, 300 МПа
- Насосы гидравлические, пневматический привод PPxx-1000 (70, 80, 150, 227 МПа, объем 1л.)
- Насосы гидравлические, пневматический привод РРхх-2500 (объем 2,5 л. на 70, 80, 100 МПа)
- Насосы гидравлические, пневматический привод РРхх-9200 (объем 9,2 литра на 70, 80 МПа)
- Насосы гидравлические, электрический привод РМЕ на 70 МПа, с объемом на 3л, 10 л., 20 литров
- Насосы гидравлические, бензиновый привод
- Выпрессовщики втулок, стаканов, сайлентблоков
- Выпрессовщик пальцев рулевых тяг
- Аварийно-спасательное оборудование
- Шланги гидравлические РВД 70, 150, 240, 300 МПа
- Тележка гидравлическая, для снятия КПП
- Гидравлическая стойка для агрегатов трансмиссии
- Универсальный ножничный домкрат
- Инструмент для сжимания пружин
- Пресс настольный
- Колпачки защитные
- Расширители гидравлические
- Клапаны гидравлические, отсечные, направляющие
- Защитные опоры и пресс-головки для полых гидравлических цилиндров CHFA
- Коллекторы распределительные
- Соединительные фиттинги
- Адаптеры для манометров
- Манометры
- Домкраты бутылочные
- Домкраты для подъема объектов
- Инструмент гидравлический, комплекты цилиндров для правки, сервиса, ЖКХ
- Кусачки гидравлические, торцевые и боковые
- БРС, Быстро разъемное соединение гидравлическое, 70 МПа, 100 МПа, 150 МПа, 250 МПа / Оригинал
- Страхующие стойки, механические
- Съемники гидравлические
-
Цилиндры гидравлические
- NENAB: домкраты канавные (наямные), подкатные (напольные)
- CATTINI: домкраты подкатные (напольные), домкраты грузовые для карьерной техники
- WALLMEK: гидравлический спец.инструмент, выпрессовщики ударного действия для сервиса транспорта
- COLUMBUS: электрогайковерт, вращатель колес
-
Orion: насосы (ручные, пневматические), катушки для масла, смазки и отработки
- 1. Оборудование для масла
- 2. Оборудование для смазки
- 3. Отработанное масло
- 4. Воздух
- 5. Жидкости прочие
- 6. Оборудование для раздачи диз. топлива
- 7. AdBlue
- 8. Раздаточные катушки
- 9. Устройства раздачи и контроля
- 10. ЦСРМ
- 11. Работа с бочками
- 12. Оборудование для удаления выхлопных газов
- 13. Монтажные компоненты
- 14. Сорбенты
- INCOIL: промышленные установки индукционного нагрева
-
HUNGER: обслуживание тормозных систем, клепка накладок, проточка тормозных дисков и барабанов
- N332 Пневмогидравлический стенд клепки расклепки тормозных накладок
- N333 Пневматический стенд клепки расклепки тормозных накладок
- S331 Стенд для очистки тормозных колодок
- S330 Стенд для обточки тормозных колодок
- B355 Стенды для расточки тормозных барабанов
- B325 Стенды для расточки тормозных барабанов
- U305 Стенды для расточки тормозных барабанов
- E328 Стенды для расточки тормозных дисков без снятия с оси
- F308 Стенды для обточки тормозных накладок без снятия с оси
- BL2 Кран для снятия элементов тормозных систем
- TruckCam: сход-развал для производителей автомобилей
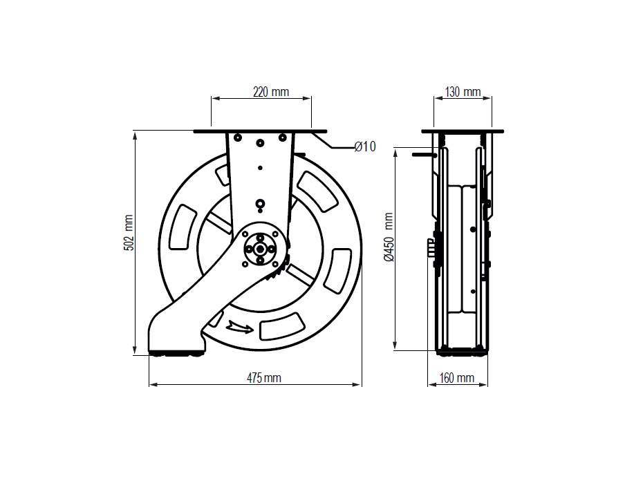
Катушка открытая серия ORK для воздуха и воды, шланг 10м х 3/8", вход G1/2", выход G1/4", 2 МПа
Артикул:
45122
Модель:
45122
Цена по запросу
Нет в наличии
Заказать
Запросить информацию
Посмотреть варианты
Катушка открытого типа для раздачи сжатого воздуха и воды, серия ORK, артикул 45122. Каркас катушки изготовлен из листового металла и покрыт порошковой краской. Катушка оснащена шлангом длиной 10м х 3/8" с простой оплеткой из обычного корда. На конце входящего шланга опрессован соединительный фитинг G1/2", на исходящем фитинг G1/4". Шланг сматывается автоматически при помощи встроенного пружинного механизма - перемотка шланга достигается за счёт стальной пружины, встроенной в барабан. Катушка может крепиться на разные поверхности: на стену, потолок или на каркасные конструкции и рамы. Желаемая длина шланга запирается (блокируется) с помощью автоматического запирающего устройства и отпирается (деблокируется), если потянуть за шланг на короткое расстояние. Для обеспечения работы шланговой катушки важно использовать правильную модель для жидкости, которая раздаётся при указанном давлении и температуре.
Технические характеристики
Технические характеристики
Артикул 45122
Описание: Катушка открытого типа для раздачи сжатого воздуха и воды, серия ORK
Серия: ORK
Перекачиваемая среда: воздух/вода
Длина шланга: 10м
Диаметр шланга: 10 мм - 3/8"
Maкс. рабочее давление: 2 МПа
Резьба на входе: G1/2" наружн.
Резьба на выходе: G1/4" наружн.
Габаритные размеры (ВхДхШ): 502 х 475 х 160 мм
Сопутствующие товары
Запросить информацию